testata Forum Natura Mediterraneo
Forum | Registrati | Msg attivi | Msg Recenti | Msg Pvt | Utenti | Galleria | Map | Gadgets | Cerca | | FAQ | Regole |NUOVA Tassonomia | Pagina Facebook di Natura Mediterraneo | Google+
Suggerimento: Hai provato la nostra ricerca tassonomica da Browser? Clicca qui per info!
Cerca
Salva
Password dimenticata

 Galleria Tassonomica
 di Natura Mediterraneo
 



 Tutti i Forum
 Forum Protisti e Microinvertebrati
 PROTISTI: DISCUSSIONI GENERALI E FOTOGRAFIE DA DETERMINARE
 Un pò di tutto
 Nuova Discussione
 Versione Stampabile my nm Leggi più tardi
I seguenti utenti stanno leggendo questo Forum Qui c'è:
Autore Discussione Precedente Discussione Discussione Successiva  

escocat
Utente Super


Città: Messina
Prov.: Messina

Regione: Sicilia


6627 Messaggi
Tutti i Forum

Inserito il - 29 maggio 2009 : 17:58:14 Mostra Profilo  Apri la Finestra di Tassonomia

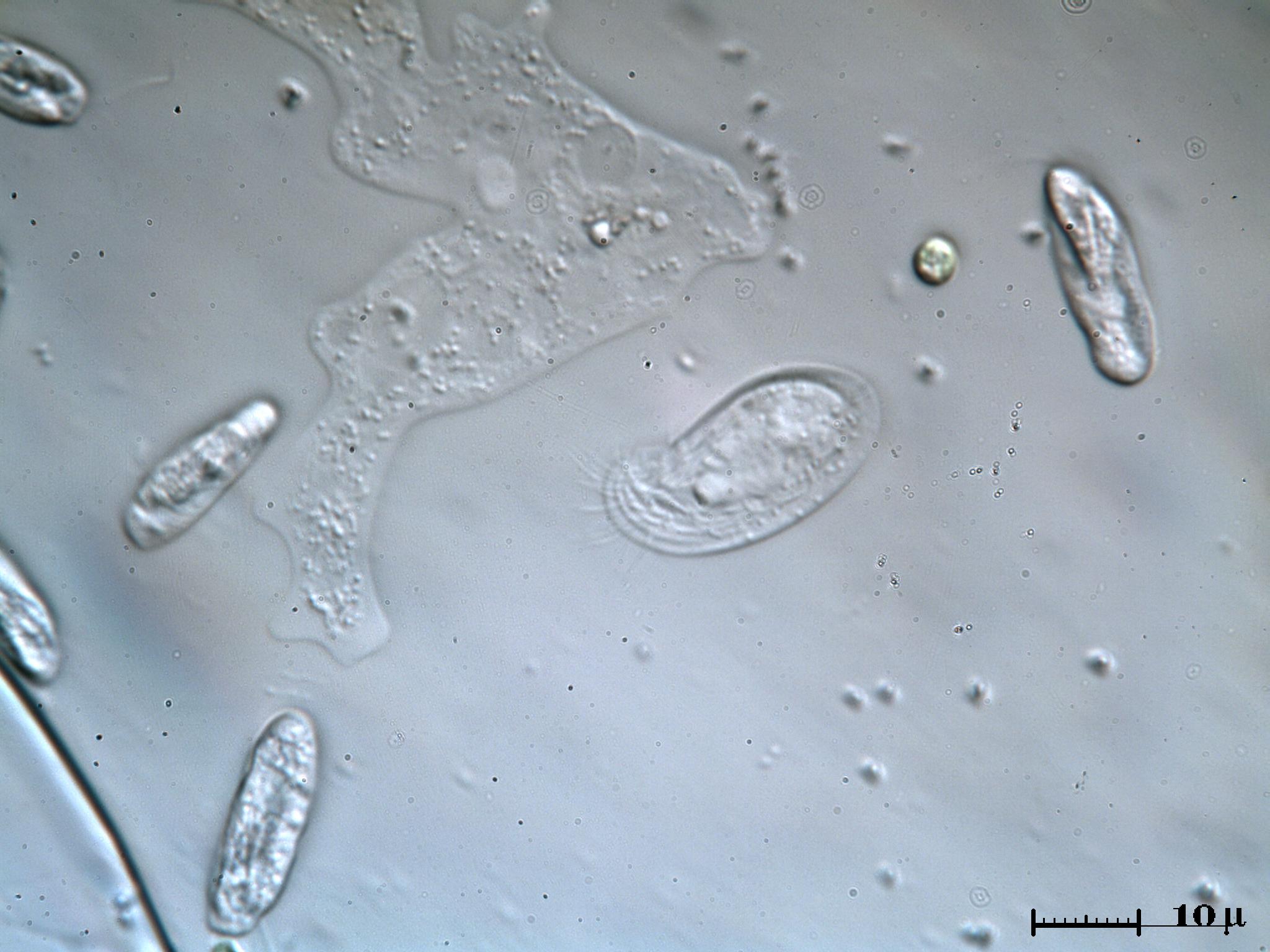
Flagellati, ciliati, amoeboidi, cyclotelle...

Immagine:
Un pò di tutto
272,65 KB

Tanto più piccolo è ciò che osserviamo, tanto più grandi saremo.
  Discussione Precedente Discussione Discussione Successiva  
 Nuova Discussione
 Versione Stampabile my nm Leggi più tardi
Scorciatoia






Natura Mediterraneo © 2003-2024 Natura Mediterraneo Torna all'inizio della Pagina
Questa pagina è stata generata in 0,24 secondi. TargatoNA.it | Movie BackStage | Snitz Forums 2000

Leps.it | Herp.it | Lynkos.net