testata Forum Natura Mediterraneo
Forum | Registrati | Msg attivi | Msg Recenti | Msg Pvt | Utenti | Galleria | Map | Gadgets | Cerca | | FAQ | Regole |NUOVA Tassonomia | Pagina Facebook di Natura Mediterraneo | Google+
Suggerimento: L'iscrizione al nostro Forum è gratuita e permette di accedere a tutte le discussioni.
Cerca
Salva
Password dimenticata

 Galleria Tassonomica
 di Natura Mediterraneo
 



 Tutti i Forum
 Forum Protisti e Microinvertebrati
 PROTISTI: DISCUSSIONI GENERALI E FOTOGRAFIE DA DETERMINARE
 Flagellati o Cloroficee?
 Nuova Discussione
 Versione Stampabile my nm Leggi più tardi
I seguenti utenti stanno leggendo questo Forum Qui c'è:
Autore Discussione Precedente Discussione Discussione Successiva  

escocat
Utente Super


Città: Messina
Prov.: Messina

Regione: Sicilia


6625 Messaggi
Tutti i Forum

Inserito il - 14 maggio 2009 : 22:48:24 Mostra Profilo  Apri la Finestra di Tassonomia

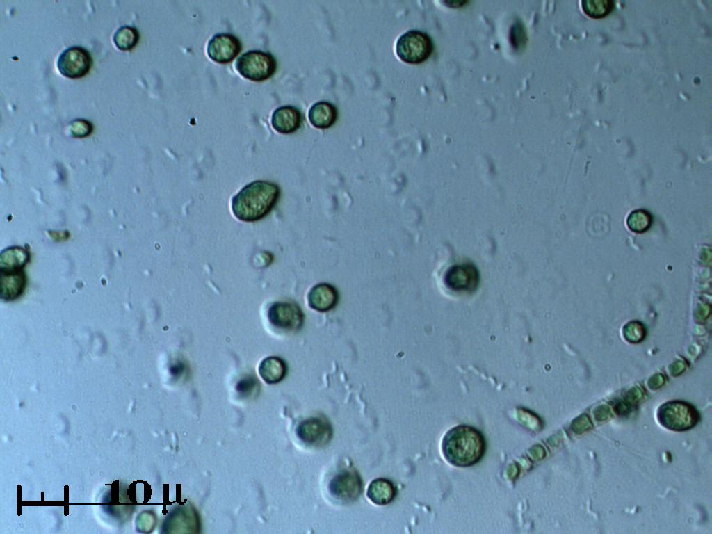
Questi piccoli organismi si muovono continuamente ma non vedo flagelli. Sono alghe o Mastigofori? Alcuni sono tondi, altri ovali.
BOH?!


Immagine:
Flagellati o Cloroficee?
58,25 KB



Immagine:
Flagellati o Cloroficee?
77,9 KB

+ lunga è la working distance, MEGLIO E'!

Volvox
Utente Senior


Città: Pisa
Prov.: Pisa

Regione: Toscana


3685 Messaggi
Tutti i Forum

Inserito il - 14 maggio 2009 : 22:51:12 Mostra Profilo Apri la Finestra di Tassonomia
Flagellati!

Volvox

"Omnia ab ovo".
Le còcce, pe' piacere, ner biologgico!
Torna all'inizio della Pagina

escocat
Utente Super


Città: Messina
Prov.: Messina

Regione: Sicilia


6625 Messaggi
Tutti i Forum

Inserito il - 14 maggio 2009 : 22:52:34 Mostra Profilo Apri la Finestra di Tassonomia

Immagine:
Flagellati o Cloroficee?
76,57 KB

+ lunga è la working distance, MEGLIO E'!
Torna all'inizio della Pagina

marcopic
Moderatore


Città: Padova
Prov.: Padova

Regione: Veneto


1864 Messaggi
Flora e Fauna

Inserito il - 15 maggio 2009 : 22:39:58 Mostra Profilo Apri la Finestra di Tassonomia
Messaggio originario di Volvox:

Flagellati!

'O vero? Ma io i flagelli proprio non li vedo

Ciao
Marco
Torna all'inizio della Pagina
  Discussione Precedente Discussione Discussione Successiva  
 Nuova Discussione
 Versione Stampabile my nm Leggi più tardi
Scorciatoia






Natura Mediterraneo © 2003-2024 Natura Mediterraneo Torna all'inizio della Pagina
Questa pagina è stata generata in 0,23 secondi. TargatoNA.it | Movie BackStage | Snitz Forums 2000

Leps.it | Herp.it | Lynkos.net