|
|
|
|
|
Galleria Tassonomica di
Natura Mediterraneo
|
|
|
| Autore |
Discussione  |
|
|
diatomea
Utente Senior
   
 Città: milano
2303 Messaggi Tutti i Forum |
|
|
geppe
Moderatore
    

Città: lesmo
Prov.: Milano
Regione: Lombardia
5413 Messaggi Tutti i Forum |
Inserito il - 16 marzo 2011 : 22:50:08
|
Belisssssima
Giuseppe
Link |
 |
|
|
nicotinammide
Utente Senior
   

Città: Milano - Palermo
927 Messaggi Tutti i Forum |
Inserito il - 17 marzo 2011 : 02:47:56
|
| bellissima foto |
 |
|
|
francesco longo
Utente Super
    

Città: Partinico
Prov.: Palermo
Regione: Sicilia
6632 Messaggi Tutti i Forum |
Inserito il - 21 marzo 2011 : 21:55:13
|
| Stupenda, da libro di scienze |
 |
|
|
escocat
Utente Super
    

Città: Messina
Prov.: Messina
Regione: Sicilia
6624 Messaggi Tutti i Forum |
Inserito il - 21 marzo 2011 : 22:48:55
|
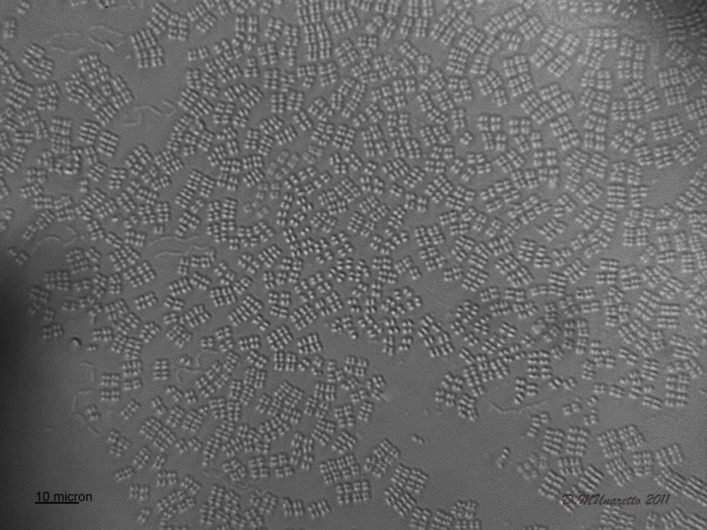
A parte il fatto che NON sono batteri ECCOLI LI TUTTI QUANTI milioni di foto di batteri che ho fatto io e nessuno diceva niente anzi dicevate  "ma che roba è?" ora arriva Diatomea con 4 batteri    che NON sono batteri e tutti quanti a dire "bravo bellissima da libro di scienze"      
E DITELO CHE CI VUOLE LA RIFORMA ALLA GIUSTIZIA!
Riformiamo pure Volvox che nella giustizia ci sguazza. |
 |
|
|
diatomea
Utente Senior
   

Città: milano
2303 Messaggi Tutti i Forum |
Inserito il - 22 marzo 2011 : 17:24:36
|
| Messaggio originario di escocat:
A parte il fatto che NON sono batteri ECCOLI LI TUTTI QUANTI milioni di foto di batteri che ho fatto io e nessuno diceva niente anzi dicevate  "ma che roba è?" ora arriva Diatomea con 4 batteri    che NON sono batteri e tutti quanti a dire "bravo bellissima da libro di scienze"      
E DITELO CHE CI VUOLE LA RIFORMA ALLA GIUSTIZIA!
Riformiamo pure Volvox che nella giustizia ci sguazza.
|
Ciao Escocat... perchè dici che non sono batteri?
Secondo me somigliavano tanto a questi:
Immagine:
4,67 KB 1. Cocchi, 2. Diplococchi, 3. Streptococchi, 4. Stafilococchi 5.Tetradi di cocchi, 6. Coccobacilli 7. Clostridi, 8. Bastoncini, 9. Carbonchi, 10. Fusobatteri 11. Vibrioni, 12. Spirilli 13. Borrelie, 14. Treponemi 15. Leptospira
Link
...o no?
Solo per non restare con il dubbio!
Ciao
Davide
Link
|
Modificato da - diatomea in data 22 marzo 2011 17:30:11 |
 |
|
|
Volvox
Utente Senior
   

Città: Pisa
Prov.: Pisa
Regione: Toscana
3685 Messaggi Tutti i Forum |
Inserito il - 22 marzo 2011 : 17:53:45
|
| Messaggio originario di escocat:
...Riformiamo pure Volvox che nella giustizia ci sguazza... |
No, precisiamo: io, nella "giustizia", ci affogo!!!
Volvox
"Omnia ab ovo". Le còcce, pe' piacere, ner biologgico! |
 |
|
|
FOX
Moderatore
    

Città: BAGNO A RIPOLI
Regione: Toscana
21536 Messaggi Tutti i Forum |
Inserito il - 22 marzo 2011 : 18:46:03
|
Ecco cosa sono, spesso nel fare la microscopia ai funghi si trovano questi e non si sa mai cosa sono...
simo
Osserva in profondità, nel profondo della natura, solo così potrai comprendere ogni cosa. - Albert Einstein |
 |
|
|
escocat
Utente Super
    

Città: Messina
Prov.: Messina
Regione: Sicilia
6624 Messaggi Tutti i Forum |
Inserito il - 22 marzo 2011 : 19:50:58
|
Su su su diatuccio scherzavo ho detto che non sono batteri perchè avevo il sospetto che fossero cianobatteri ma ora che ho scoperto le tetradi di cocchi ci ripenso un attimino. SONO BELLISSIMI (ma detto da me non fa testo... ) Su su su volvoxxuccio lo so che non vorresti andare a lavorare e preferiresti fare il mantenuto ma che ci vuoi fare a noi le donne non ci pagano nemmeno se le fermiamo ai semafori. |
 |
|
| |
Discussione  |
|
|
|
Natura Mediterraneo |
© 2003-2024 Natura Mediterraneo |
 |
|
Leps.it | Herp.it | Lynkos.net
|