testata Forum Natura Mediterraneo
Forum | Registrati | Msg attivi | Msg Recenti | Msg Pvt | Utenti | Galleria | Map | Gadgets | Cerca | | FAQ | Regole |NUOVA Tassonomia | Pagina Facebook di Natura Mediterraneo | Google+
Suggerimento: Leggi il nostro regolamento!! Clicca qui!
Cerca
Salva
Password dimenticata

 Galleria Tassonomica
 di Natura Mediterraneo
 



 Tutti i Forum
 Forum Protisti e Microinvertebrati
 PROTISTI: DISCUSSIONI GENERALI E FOTOGRAFIE DA DETERMINARE
 ciliato?
 Nuova Discussione
 Versione Stampabile my nm Leggi più tardi
I seguenti utenti stanno leggendo questo Forum Qui c'è:
Autore Discussione Precedente Discussione Discussione Successiva  

ang
Moderatore


Città: roma

Regione: Lazio


11353 Messaggi
Tutti i Forum

Inserito il - 21 giugno 2010 : 14:44:04 Mostra Profilo  Apri la Finestra di Tassonomia

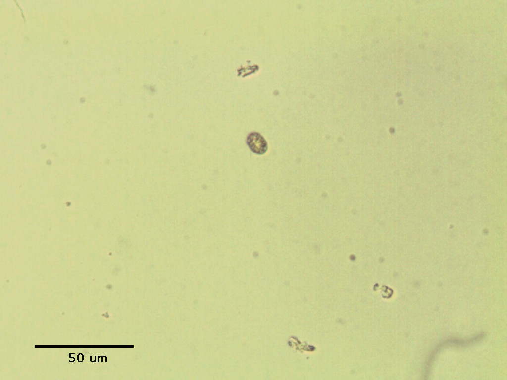
lago di bolsena, ieri
ripreso in un raro momento di quiete, normalmente era impossibile da seguire...
sembra verde, con delle cilia (o dei flagelli) intorno

Immagine:
ciliato?
34,26 KB
Immagine:
ciliato?
34,65 KB

ciao

ang

ang
Moderatore


Città: roma

Regione: Lazio


11353 Messaggi
Tutti i Forum

Inserito il - 21 giugno 2010 : 14:56:48 Mostra Profilo Apri la Finestra di Tassonomia
allego un paio di video che forse possono essere d'aiuto




















































ciao

ang
Torna all'inizio della Pagina
  Discussione Precedente Discussione Discussione Successiva  
 Nuova Discussione
 Versione Stampabile my nm Leggi più tardi
Scorciatoia






Natura Mediterraneo © 2003-2024 Natura Mediterraneo Torna all'inizio della Pagina
Questa pagina è stata generata in 0,46 secondi. TargatoNA.it | Movie BackStage | Snitz Forums 2000

Leps.it | Herp.it | Lynkos.net