testata Forum Natura Mediterraneo
Forum | Registrati | Msg attivi | Msg Recenti | Msg Pvt | Utenti | Galleria | Map | Gadgets | Cerca | | FAQ | Regole |NUOVA Tassonomia | Pagina Facebook di Natura Mediterraneo | Google+
Suggerimento: Lo sapevi che puoi aggiungere le informazioni di Google Map nel Forum? Clicca qui!
Cerca
Salva
Password dimenticata

 Galleria Tassonomica
 di Natura Mediterraneo
 



 Tutti i Forum
 Forum Protisti e Microinvertebrati
 PROTISTI: DISCUSSIONI GENERALI E FOTOGRAFIE DA DETERMINARE
 Asterionella notata?
 Nuova Discussione
 Versione Stampabile my nm Leggi più tardi
I seguenti utenti stanno leggendo questo Forum Qui c'è:
Autore Discussione Precedente Discussione Discussione Successiva  

calabrone81
Utente nuovo


Città: vibo valentia
Prov.: Vibo Valentia

Regione: Calabria


8 Messaggi
Biologia Marina

Inserito il - 04 marzo 2010 : 18:14:52 Mostra Profilo  Apri la Finestra di Tassonomia

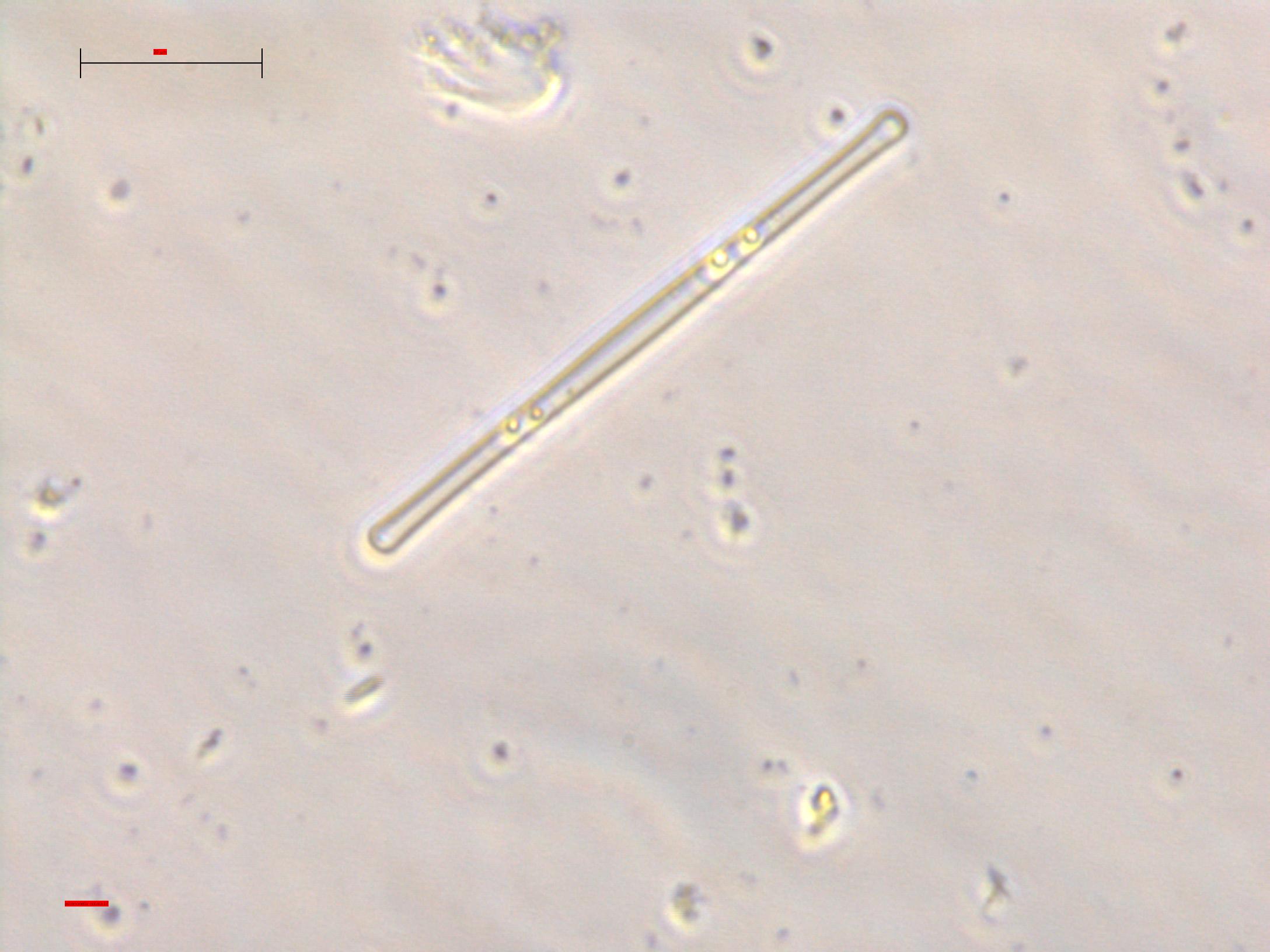
qualcuno mi può confermare se si tratta di Asterionella notata
Immagine:
Asterionella notata?
198,57 KB
  Discussione Precedente Discussione Discussione Successiva  
 Nuova Discussione
 Versione Stampabile my nm Leggi più tardi
Scorciatoia






Natura Mediterraneo © 2003-2024 Natura Mediterraneo Torna all'inizio della Pagina
Questa pagina è stata generata in 0,2 secondi. TargatoNA.it | Movie BackStage | Snitz Forums 2000

Leps.it | Herp.it | Lynkos.net